电影天堂-电影天堂官方最快发布站
智能
问答
政务
微信
微信公众号
政务
手机
移动门户
长者助手
无障碍
手机版
网站支持IPV6
主页
聚焦汕尾
电影天堂公开
政务服务
政民互动
走进汕尾
无障碍版
关怀版
主页
聚焦汕尾
电影天堂公开
政务服务
政民互动
走进汕尾
当前位置:
电影天堂-电影天堂官方最快发布站
>
电影天堂 门户网站
>
电影天堂公开
>
基础信息公开
>
规划计划
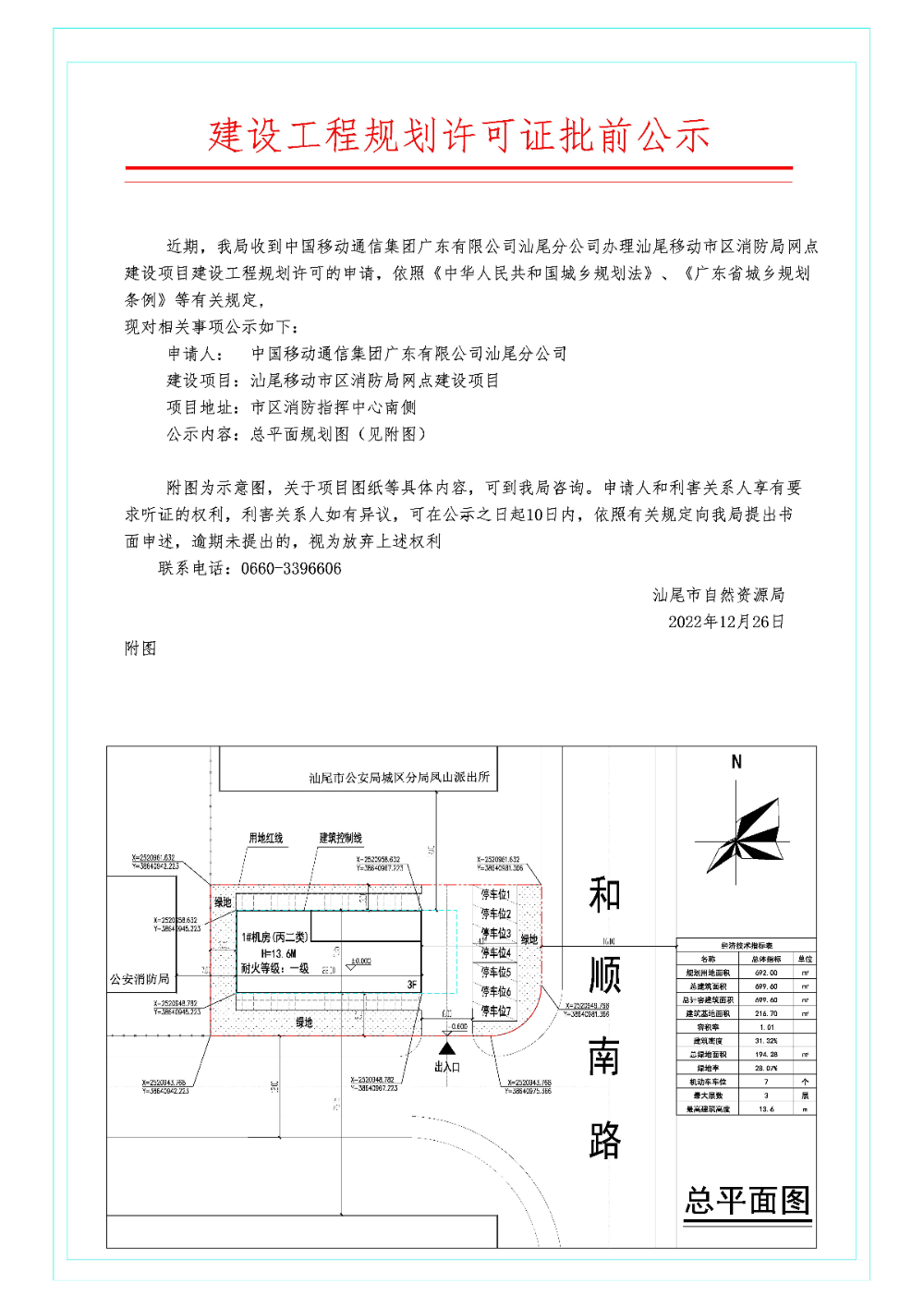
汕尾移动市区消防局网点建设项目建设工程规划许可证批前公示
2022-12-26 09:46
来源: 汕尾市自然资源局
发布机构:电影天堂 门户网站
【字体:
大
中
小
】
分享到:
关联稿件:
相关附件:
扫一扫在手机打开当前页
【TOP】
【
打印页面
】【
关闭页面
】
您访问的链接即将离开“电影天堂 门户网站”,是否继续?